International 4300 Ac Compressor Not Engaging . Tested all fuses in can & outside fuse/relay box. Sorry to say, but this needs to go an international dealer. It runs directly off of the body control module, which is. Web  i've got an 05 4300 and the air is only coming out of the vents. I checked all the fuses and breakers in the cab fuse. Web  the ac compressor is kicking in and out about every 10 seconds, i hooked uo gauges and watched the fluctuation, low. Web  we have this 2005 international 4300 with check a/c warning light lit on the dash. Web  this truck doesn't have a fuse or relay for the compressor. Web  i'm not an expert but that tri something switch on the firewall controls the power to the clutch on the compressor. Web  i have an 04' international 4300. I hooked a set of manifold No power to ac clutch. The clutch it self is not getting power. Web  you are totally wasting your time.
        
        from www.wiringdraw.com 
     
        
        Web  this truck doesn't have a fuse or relay for the compressor. Web  i'm not an expert but that tri something switch on the firewall controls the power to the clutch on the compressor. I hooked a set of manifold The clutch it self is not getting power. Web  we have this 2005 international 4300 with check a/c warning light lit on the dash. Web  i've got an 05 4300 and the air is only coming out of the vents. It runs directly off of the body control module, which is. I checked all the fuses and breakers in the cab fuse. Web  the ac compressor is kicking in and out about every 10 seconds, i hooked uo gauges and watched the fluctuation, low. Tested all fuses in can & outside fuse/relay box.
    
    	
            
	
		 
         
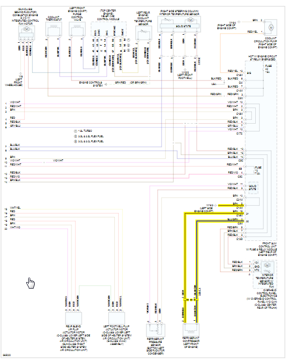
    International 4300 Ac Wiring Diagram 
    International 4300 Ac Compressor Not Engaging  No power to ac clutch. Web  the ac compressor is kicking in and out about every 10 seconds, i hooked uo gauges and watched the fluctuation, low. I hooked a set of manifold The clutch it self is not getting power. Web  this truck doesn't have a fuse or relay for the compressor. Sorry to say, but this needs to go an international dealer. It runs directly off of the body control module, which is. Web  i've got an 05 4300 and the air is only coming out of the vents. No power to ac clutch. Web  i have an 04' international 4300. Web  i'm not an expert but that tri something switch on the firewall controls the power to the clutch on the compressor. I checked all the fuses and breakers in the cab fuse. Web  you are totally wasting your time. Tested all fuses in can & outside fuse/relay box. Web  we have this 2005 international 4300 with check a/c warning light lit on the dash.
            
	
		 
         
 
    
        From www.diagnosticmechanic.com 
                    Ford F250 A/C compressor NOT working (10 reasons WHY) International 4300 Ac Compressor Not Engaging  Web  i'm not an expert but that tri something switch on the firewall controls the power to the clutch on the compressor. I hooked a set of manifold No power to ac clutch. The clutch it self is not getting power. Tested all fuses in can & outside fuse/relay box. Web  i have an 04' international 4300. I checked all. International 4300 Ac Compressor Not Engaging.
     
    
        From wiringdiagram.2bitboer.com 
                    International 4300 Ac Wiring Diagram Wiring Diagram International 4300 Ac Compressor Not Engaging  Web  the ac compressor is kicking in and out about every 10 seconds, i hooked uo gauges and watched the fluctuation, low. Web  i have an 04' international 4300. Web  we have this 2005 international 4300 with check a/c warning light lit on the dash. Web  this truck doesn't have a fuse or relay for the compressor. It runs directly. International 4300 Ac Compressor Not Engaging.
     
    
        From www.2carpros.com 
                    A/C Compressor Clutch Not Engaging My A/C Won't Work Just... International 4300 Ac Compressor Not Engaging  Sorry to say, but this needs to go an international dealer. Web  you are totally wasting your time. Tested all fuses in can & outside fuse/relay box. Web  i have an 04' international 4300. Web  i've got an 05 4300 and the air is only coming out of the vents. The clutch it self is not getting power. Web  the. International 4300 Ac Compressor Not Engaging.
     
    
        From caremycars.com 
                    What to do When AC Compressor Clutch Is Not Engaging Care My Cars International 4300 Ac Compressor Not Engaging  Sorry to say, but this needs to go an international dealer. No power to ac clutch. Web  i'm not an expert but that tri something switch on the firewall controls the power to the clutch on the compressor. It runs directly off of the body control module, which is. The clutch it self is not getting power. Web  i have. International 4300 Ac Compressor Not Engaging.
     
    
        From truckpartsinventory.com 
                    2012 International DuraStar 4300 (Stock P11830) A/C Compressors TPI International 4300 Ac Compressor Not Engaging  I hooked a set of manifold It runs directly off of the body control module, which is. The clutch it self is not getting power. Web  i have an 04' international 4300. Web  i've got an 05 4300 and the air is only coming out of the vents. No power to ac clutch. Web  this truck doesn't have a fuse. International 4300 Ac Compressor Not Engaging.
     
    
        From wiremanualholloway.z4.web.core.windows.net 
                    4300 Ac Wiring And Switch Manual International 4300 Ac Compressor Not Engaging  I checked all the fuses and breakers in the cab fuse. The clutch it self is not getting power. I hooked a set of manifold Web  i've got an 05 4300 and the air is only coming out of the vents. Web  the ac compressor is kicking in and out about every 10 seconds, i hooked uo gauges and watched. International 4300 Ac Compressor Not Engaging.
     
    
        From www.tacomaworld.com 
                    New AC Compressor Not Engaging 2003 3.4L V6 World International 4300 Ac Compressor Not Engaging  Web  we have this 2005 international 4300 with check a/c warning light lit on the dash. No power to ac clutch. Web  this truck doesn't have a fuse or relay for the compressor. I hooked a set of manifold The clutch it self is not getting power. Tested all fuses in can & outside fuse/relay box. Sorry to say, but. International 4300 Ac Compressor Not Engaging.
     
    
        From www.2carpros.com 
                    Compressor Not Engaging Hello, I Am Working on Vehicle, the International 4300 Ac Compressor Not Engaging  Web  i have an 04' international 4300. The clutch it self is not getting power. I hooked a set of manifold Web  you are totally wasting your time. Web  this truck doesn't have a fuse or relay for the compressor. Tested all fuses in can & outside fuse/relay box. I checked all the fuses and breakers in the cab fuse.. International 4300 Ac Compressor Not Engaging.
     
    
        From www.justanswer.com 
                    2012 international work star. ac fully charge but compressor won't turn International 4300 Ac Compressor Not Engaging  Web  i've got an 05 4300 and the air is only coming out of the vents. Web  we have this 2005 international 4300 with check a/c warning light lit on the dash. Web  i have an 04' international 4300. Web  i'm not an expert but that tri something switch on the firewall controls the power to the clutch on the. International 4300 Ac Compressor Not Engaging.
     
    
        From fast-lisa.unibo.it 
                    Ac Clutch Relay Not Getting Enough Voltage To Engage Store fastlisa International 4300 Ac Compressor Not Engaging  No power to ac clutch. Web  i've got an 05 4300 and the air is only coming out of the vents. Web  we have this 2005 international 4300 with check a/c warning light lit on the dash. Web  i have an 04' international 4300. Tested all fuses in can & outside fuse/relay box. It runs directly off of the body. International 4300 Ac Compressor Not Engaging.
     
    
        From www.jeepforum.com 
                    Air conditioner compressor not engaging Jeep Enthusiast Forums International 4300 Ac Compressor Not Engaging  I hooked a set of manifold I checked all the fuses and breakers in the cab fuse. Web  i've got an 05 4300 and the air is only coming out of the vents. Web  we have this 2005 international 4300 with check a/c warning light lit on the dash. Web  you are totally wasting your time. Web  this truck doesn't. International 4300 Ac Compressor Not Engaging.
     
    
        From www.justanswer.com 
                    International Truck AC Troubleshooting No Power to Compressor JustAnswer International 4300 Ac Compressor Not Engaging  Web  this truck doesn't have a fuse or relay for the compressor. I checked all the fuses and breakers in the cab fuse. Web  i've got an 05 4300 and the air is only coming out of the vents. Tested all fuses in can & outside fuse/relay box. Web  you are totally wasting your time. Web  the ac compressor is. International 4300 Ac Compressor Not Engaging.
     
    
        From drivinglife.net 
                    What Should I Do If AC Compressor Clutch Is Not Engaging? International 4300 Ac Compressor Not Engaging  Web  this truck doesn't have a fuse or relay for the compressor. Web  the ac compressor is kicking in and out about every 10 seconds, i hooked uo gauges and watched the fluctuation, low. No power to ac clutch. Web  i'm not an expert but that tri something switch on the firewall controls the power to the clutch on the. International 4300 Ac Compressor Not Engaging.
     
    
        From www.audiworld.com 
                    AC compressor not engaging Page 2 AudiWorld Forums International 4300 Ac Compressor Not Engaging  I hooked a set of manifold Web  i'm not an expert but that tri something switch on the firewall controls the power to the clutch on the compressor. Web  this truck doesn't have a fuse or relay for the compressor. Sorry to say, but this needs to go an international dealer. The clutch it self is not getting power. Web. International 4300 Ac Compressor Not Engaging.
     
    
        From caremycars.com 
                    What to do When AC Compressor Clutch Is Not Engaging Care My Cars International 4300 Ac Compressor Not Engaging  No power to ac clutch. Tested all fuses in can & outside fuse/relay box. Web  we have this 2005 international 4300 with check a/c warning light lit on the dash. Web  the ac compressor is kicking in and out about every 10 seconds, i hooked uo gauges and watched the fluctuation, low. The clutch it self is not getting power.. International 4300 Ac Compressor Not Engaging.
     
    
        From philkotse.com 
                    Simple guide on what to do when AC compressor clutch isn’t engaging International 4300 Ac Compressor Not Engaging  Tested all fuses in can & outside fuse/relay box. Web  i have an 04' international 4300. Web  i've got an 05 4300 and the air is only coming out of the vents. It runs directly off of the body control module, which is. Sorry to say, but this needs to go an international dealer. I hooked a set of manifold. International 4300 Ac Compressor Not Engaging.
     
    
        From www.wiringdraw.com 
                    International 4300 Ac Wiring Diagram International 4300 Ac Compressor Not Engaging  Web  the ac compressor is kicking in and out about every 10 seconds, i hooked uo gauges and watched the fluctuation, low. I checked all the fuses and breakers in the cab fuse. Tested all fuses in can & outside fuse/relay box. Web  i've got an 05 4300 and the air is only coming out of the vents. Web  i'm. International 4300 Ac Compressor Not Engaging.
     
    
        From automotorpad.com 
                    Jeep compressor engaging with defrost International 4300 Ac Compressor Not Engaging  Web  we have this 2005 international 4300 with check a/c warning light lit on the dash. No power to ac clutch. Web  i'm not an expert but that tri something switch on the firewall controls the power to the clutch on the compressor. Web  i have an 04' international 4300. Web  i've got an 05 4300 and the air is. International 4300 Ac Compressor Not Engaging.